参数:Vin=500V, Vo=200V, T=2:1:1, RL=10Ω, fs=100kHz, L=1mH, C=100uF
(1)给定输入电压,输出电压和主电路参数,仿真研究电路工作原理,分析工作时序;
(2)调节负载电阻,实现电流连续和断续,并仿真验证;
(3)调节占空比,分析占空比与电压增益(Vo/Vin)关系。
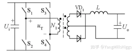
采用 IGBT 作为开关器件的全桥逆变-全波整流电路如图3-1所示。全桥逆变-全波整流电路是直-交-直变换电路的一种,其基本原理是通过全桥逆变将直流电压变换成交流电压,再使用全波整流将交流电压整为直流电压。

图3-1全桥逆变-全波整流电路
在如图所示的电路图中,全桥逆变是由两个半桥电路组合而成。采用移相调压的控制方式,各个IGBT的栅极信号均为占空比为50%的方波脉冲,即180°正偏、180°反偏,且V1和V2的栅极信号互补,V3和V4的栅极信号互补,V3的栅极脉冲比V1落后角度θ,通过调节θ可以调整逆变输出电压的波形为正负各导通角度θ的方波。
全波整流电路是利用二极管的电流导向作用